Giao hàng nhanh
Giao hàng nhanh trong vòng 30 ngày



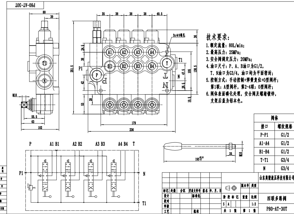
Van điều hướng monoblock 4 ngăn kéo thủ công P80-G34-G12-AT-3OT là một van thủy lực hiệu suất cao được thiết kế cho các ứng dụng đòi hỏi khắt khe trong nhiều ngành công nghiệp khác nhau. Với lưu lượng định mức 80 L/phút và áp suất tối đa 250 bar, van này cung cấp khả năng điều khiển hệ thống thủy lực đáng tin cậy và hiệu quả. Thiết kế monoblock đảm bảo cấu trúc nhỏ gọn và chắc chắn, làm cho nó phù hợp để sử dụng trong các ứng dụng có không gian hạn chế.
| Dòng P80 Van điều hướng Monoblock Parameters | |
|---|---|
| Xy lanh | Xy lanh 1, Xy lanh 2, Xy lanh 3, Xy lanh 4, Xy lanh 5, Xy lanh 6, Xy lanh 7 | 
| Phương pháp điều khiển | Điều khiển thủ công, Khí nén, Điện khí-khí nén, Điện khí-thủy lực, Biến áp, Thủy lực, Thủy lực và thủ công, Cáp, Tay điều khiển | 
| Kích thước cổng | G1/2, G3/4, M22×1.5, M27×2.0, SAE 10, 1/2 NPT, 3/4 NPT | 
| Phần | Phần 1, Phần 2, Phần 3, Phần 4, Phần 5, Phần 6, Phần 7 | 
| Phạm vi nhiệt độ môi trường xung quanh | -40°C đến +80°C (-40°F đến +176°F) | 
| Phạm vi độ nhớt hoạt động | 15 - 75 mm²/giây (15 cSt đến 75 cSt) | 
| Áp suất tối đa | 315 bar (4600 psi) | 
| Lưu lượng định mức | 80 L/phút (21.2 US gpm) | 
| Loại cấu trúc | Van liền khối | 
| Cổng vào | G1/2, G3/4, M27×2.0, SAE 10, SAE 12, 1/2 NPT, 3/4 NPT | 
**Tính năng và Lợi ích của Sản phẩm:**
* Điều khiển thủ công cho hoạt động chính xác và nhạy bén
* Thiết kế 4 ngăn kéo cho khả năng kiểm soát dòng chảy linh hoạt
* Cấu trúc monoblock cho độ nhỏ gọn và độ bền cao
* Lưu lượng cao 80 L/phút cho hoạt động hệ thống hiệu quả
* Áp suất tối đa 250 bar cho các ứng dụng đòi hỏi khắt khe
* Dải độ nhớt hoạt động rộng 15 - 75 mm²/s để tương thích với nhiều loại dầu thủy lực khác nhau
* Dải nhiệt độ hoạt động từ -40°C đến +80°C cho hiệu suất đáng tin cậy trong môi trường khắc nghiệt
**Ứng dụng:**
Van điều hướng monoblock 4 ngăn kéo thủ công P80-G34-G12-AT-3OT được sử dụng rộng rãi trong các hệ thống thủy lực cho nhiều ứng dụng khác nhau, bao gồm:
* Thiết bị xử lý vật liệu
* Máy móc xây dựng
* Máy móc nông nghiệp
* Phương tiện công nghiệp



