Giao hàng nhanh
Giao hàng nhanh trong vòng 30 ngày



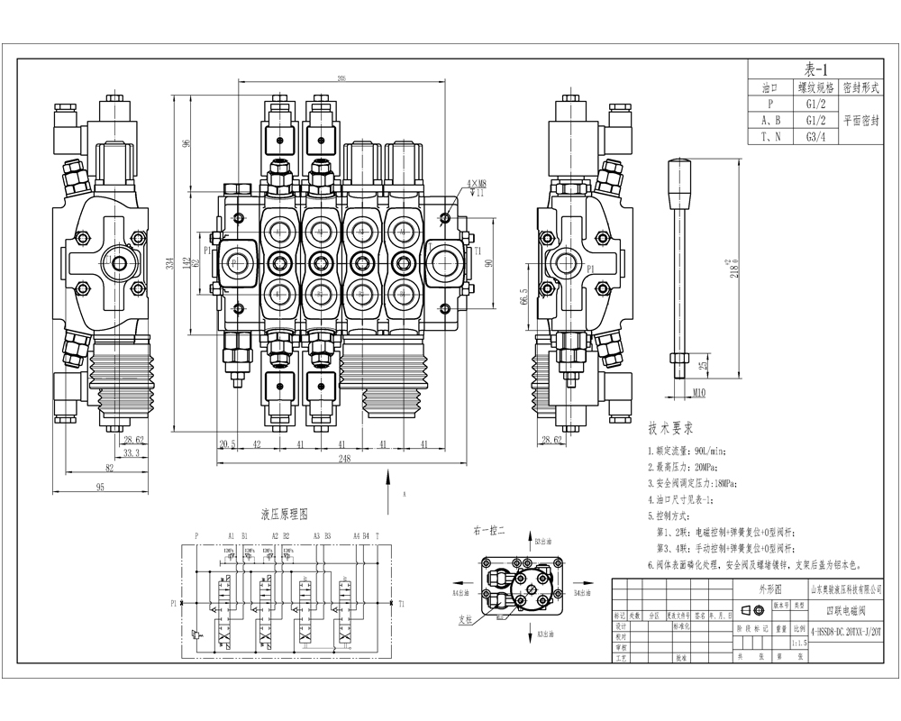
Van điều hướng phân đoạn 4 cuộn dây SD8 Solenoid và Cần điều khiển là một van thủy lực hiệu suất cao, được thiết kế cho các ứng dụng đòi hỏi khắt khe trong nhiều ngành công nghiệp khác nhau. Với lưu lượng định mức 90 L/phút, áp suất tối đa 350 bar và dải độ nhớt hoạt động từ 12 - 400 mm²/s, van này mang lại khả năng kiểm soát lưu lượng và điều chỉnh áp suất vượt trội.
| SD8 Series Van định hướng phân đoạn Parameters | |
|---|---|
| Xy lanh | Xy lanh 1, Xy lanh 2, Xy lanh 3, Xy lanh 4, Xy lanh 5, Xy lanh 6, Xy lanh 7, Xy lanh 8, Xy lanh 9, Xy lanh 10 | 
| Phương pháp điều khiển | Điều khiển thủ công, Khí nén, Điện khí-khí nén, Điện khí-thủy lực, Biến áp, Thủy lực, Thủy lực và thủ công, Cáp, Tay điều khiển, Biến áp và tay điều khiển, Thủ công và tay điều khiển | 
| Kích thước cổng | G1/2, SAE 10 | 
| Phần | Phần 1, Phần 2, Phần 3, Phần 4, Phần 5, Phần 6, Phần 7, Phần 8, Phần 9, Phần 10 | 
| Phạm vi nhiệt độ môi trường xung quanh | -40°C đến +80°C (-40°F đến +176°F) | 
| Phạm vi độ nhớt hoạt động | 12 - 400 mm²/giây (12 cSt đến 400 cSt) | 
| Cổng ra | G1/2, G3/4, SAE 10, 3/4 NPT | 
| Áp suất tối đa | 250 bar (3600 psi), 350 bar (5100 psi) | 
| Lưu lượng định mức | 90 L/phút (23.8 US gpm) | 
| Loại cấu trúc | Van chia | 
| Cổng vào | G1/2, G3/4, SAE 10 | 
**Tính năng và Lợi ích của Sản phẩm:**
* Điều khiển bằng van điện từ và cần điều khiển để vận hành chính xác và nhạy bén
* Thiết kế 3 đoạn cho khả năng kiểm soát lưu lượng linh hoạt
* Cấu trúc van phân đoạn giúp dễ dàng bảo trì và tùy chỉnh
* Lưu lượng và khả năng chịu áp suất cao cho các ứng dụng đòi hỏi khắt khe
* Tương thích với dải độ nhớt rộng
**Ứng dụng:**
* Thiết bị xử lý vật liệu
* Máy móc xây dựng và máy xúc đất
* Xe nông nghiệp
* Xe công nghiệp
* Sàn nâng người
* Cần cẩu
* Máy xúc
* Máy xúc lật nhỏ (skid steer)
* Máy xúc lật bánh lốp



