Giao hàng nhanh
Giao hàng nhanh trong vòng 30 ngày



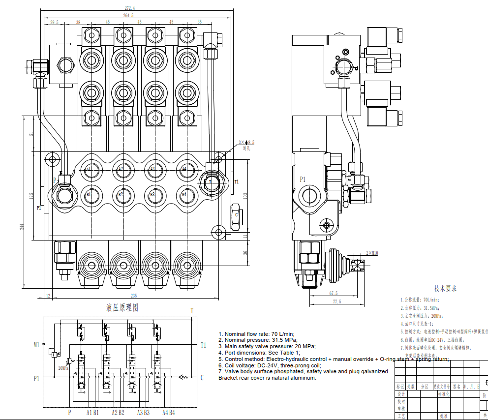
SD11-PG2 là van điều hướng monoblock 4 cuộn điện-thủy lực hiệu suất cao, có định mức lưu lượng 70 L/phút và áp suất 315 bar. Lý tưởng cho nhiều ứng dụng trong xử lý vật liệu, xây dựng, nông nghiệp và các loại xe công nghiệp, van bền bỉ này mang lại khả năng điều khiển đáng tin cậy và hoạt động chính xác trong các môi trường khắt khe.
| Dòng SD11 Van điều hướng Monoblock Parameters | |
|---|---|
| Phương pháp điều khiển | Điều khiển thủ công, Khí nén, Điện khí-khí nén, Điện khí-thủy lực, Biến áp, Thủy lực, Thủy lực và thủ công, Cáp, Tay điều khiển, Điện | 
| Xy lanh | Xy lanh 1, Xy lanh 2, Xy lanh 3, Xy lanh 4, Xy lanh 5 | 
| Lưu lượng định mức | 70 L/phút (18.5 US gpm) | 
| Áp suất tối đa | 315 bar (4600 psi) | 
| Cổng vào | G3/4, SAE 12 | 
| Cổng ra | G3/4, SAE 12 | 
| Kích thước cổng | G3/4, SAE 12 | 
| Phần | Phần 1, Phần 2, Phần 3, Phần 4, Phần 5, Phần 6, Phần 7 | 
| Loại cấu trúc | Van liền khối | 
| Phạm vi nhiệt độ môi trường xung quanh | -40°C đến +60°C (-40°F đến +140°F) | 
| Phạm vi độ nhớt hoạt động | 15 - 75 mm²/giây (15 cSt đến 75 cSt) | 
Van điều hướng monoblock 4 cuộn điện-thủy lực SD11-PG2 là một thành phần điều khiển thủy lực hiệu suất cao được thiết kế cho các ứng dụng đòi hỏi khắt khe. Cấu trúc monoblock của nó đảm bảo độ bền và độ tin cậy cao, trong khi điều khiển điện-thủy lực mang lại hoạt động chính xác và nhạy bén. Với lưu lượng định mức 70 L/phút và áp suất tối đa 315 bar, nó phù hợp cho nhiều loại thiết bị di động. Phạm vi độ nhớt hoạt động rộng (15-75 mm²/s) và phạm vi nhiệt độ môi trường (-40°C đến +60°C) giúp nó thích ứng với các điều kiện vận hành đa dạng. Thiết kế 4 cuộn cung cấp các chức năng điều khiển linh hoạt, làm cho nó phù hợp với nhiều mạch thủy lực khác nhau. Van này lý tưởng cho việc tích hợp OEM vào xe nâng, xe nâng tầm với (telehandler), máy xúc lật trượt (skid steer loader), máy xúc lật bánh lốp nhỏ gọn (compact wheel loader), máy xúc mini, máy kéo, máy gặt và máy đóng kiện. Thiết kế nhỏ gọn, cấu trúc mạnh mẽ và hiệu suất đáng tin cậy của nó làm cho nó trở thành một giải pháp hiệu quả về chi phí để cải thiện hiệu suất và năng suất máy móc của bạn. Chúng tôi cung cấp các tùy chọn sản xuất, OEM, nhãn hiệu riêng, tùy chỉnh và bán buôn, và đang tích cực tìm kiếm các nhà phân phối, nhà bán buôn, đại lý và đối tác thương mại trên toàn cầu.



