Giao hàng nhanh
Giao hàng nhanh trong vòng 30 ngày



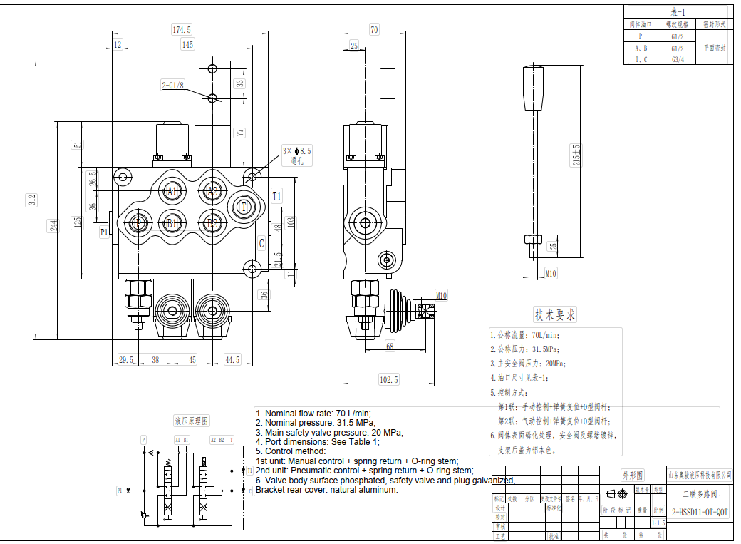
Van điều hướng liền khối SD11 Thủ công 1 tay gạt được thiết kế cho nhiều ứng dụng thủy lực. Với lưu lượng định mức 70 L/phút (18.5 US gpm) và áp suất tối đa 250 bar (3600 psi), van này có thể xử lý các điều kiện vận hành đòi hỏi cao. Thiết kế liền khối nhỏ gọn của nó mang lại giải pháp tiết kiệm không gian, trong khi điều khiển thủ công mang đến hoạt động chính xác và phản hồi nhanh.
| Dòng SD11 Van điều hướng Monoblock Parameters | |
|---|---|
| Phương pháp điều khiển | Điều khiển thủ công, Khí nén, Điện khí-khí nén, Điện khí-thủy lực, Biến áp, Thủy lực, Thủy lực và thủ công, Cáp, Tay điều khiển, Điện | 
| Xy lanh | Xy lanh 1, Xy lanh 2, Xy lanh 3, Xy lanh 4, Xy lanh 5 | 
| Lưu lượng định mức | 70 L/phút (18.5 US gpm) | 
| Áp suất tối đa | 315 bar (4600 psi) | 
| Cổng vào | G3/4, SAE 12 | 
| Cổng ra | G3/4, SAE 12 | 
| Kích thước cổng | G3/4, SAE 12 | 
| Phần | Phần 1, Phần 2, Phần 3, Phần 4, Phần 5, Phần 6, Phần 7 | 
| Loại cấu trúc | Van liền khối | 
| Phạm vi nhiệt độ môi trường xung quanh | -40°C đến +60°C (-40°F đến +140°F) | 
| Phạm vi độ nhớt hoạt động | 15 - 75 mm²/giây (15 cSt đến 75 cSt) | 
**Tính năng và lợi ích sản phẩm:**
* Điều khiển thủ công cho hoạt động chính xác và phản hồi nhanh
* Thiết kế liền khối giúp tiết kiệm không gian
* Lưu lượng định mức 70 L/phút (18.5 US gpm) cho hiệu suất hiệu quả
* Áp suất tối đa 250 bar (3600 psi) cho các ứng dụng đòi hỏi cao
* Phạm vi độ nhớt hoạt động từ 15 - 75 mm²/s (15 cSt đến 75 cSt) cho tính linh hoạt
* Phạm vi nhiệt độ môi trường từ -40°C đến +60°C (-40°F đến +140°F) cho các điều kiện khắc nghiệt
**Ứng dụng:**
* Thiết bị xử lý vật liệu
* Máy móc xây dựng và đào đất
* Thiết bị nông nghiệp
* Xe công nghiệp
* Xe nâng đa năng (Telehandler)
* Xe nâng hàng (Forklift)
* Cần cẩu địa hình
* Máy xếp chồng
* Sàn nâng người (Aerial platform)
* Máy san gạt
* Máy xúc
* Máy xúc lật nhỏ (Skid steer loader)
* Máy xúc lật bánh lốp nhỏ gọn
* Máy xúc lật bánh lốp
* Máy xúc lật liên hợp
* Xe ben
* Thiết bị khoan đá
* Bơm cần bê tông
* Xe lu
* Máy khoan xoay
* Máy nghiền và cắt đá
* Máy sàng
* Máy kéo có bộ xúc lật phía trước
* Máy gặt
* Máy quấn rơm
* Máy xúc lật (Backhoe)
* Máy gieo hạt
* Rơ moóc lâm nghiệp
* Máy phun thuốc
* Máy ép kiện
* Máy tách gỗ
* Xe xúc lật thùng (Skip loader)
* Xe chở thùng container (Hook-loader)
* Máy nén rác
* Máy quét đường



