Giao hàng nhanh
Giao hàng nhanh trong vòng 30 ngày



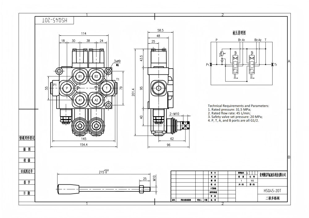
Van điều hướng monoblock 2 cửa vận hành thủ công Q45 là một van thủy lực hiệu suất cao được thiết kế để sử dụng trong nhiều ứng dụng yêu cầu kiểm soát dòng chất lỏng chính xác. Với lưu lượng định mức 45 L/phút (11.8 US gpm) và áp suất tối đa 315 bar (4600 psi), van này cung cấp khả năng lưu lượng và độ bền vượt trội. Thiết kế monoblock nhỏ gọn của nó mang lại giải pháp tiết kiệm không gian cho các hệ thống thủy lực đòi hỏi.
| Dòng Q45 Van điều hướng Monoblock Parameters | |
|---|---|
| Phương pháp điều khiển | Điều khiển thủ công, Khí nén, Điện khí-khí nén, Điện khí-thủy lực, Biến áp, Tay điều khiển | 
| Xy lanh | Xy lanh 1, Xy lanh 2, Xy lanh 3, Xy lanh 4, Xy lanh 5, Xy lanh 6, Xy lanh 7 | 
| Lưu lượng định mức | 45 L/phút (11.8 US gpm) | 
| Áp suất tối đa | 315 bar (4600 psi) | 
| Cổng vào | G1/2 | 
| Cổng ra | G1/2 | 
| Kích thước cổng | G1/2 | 
| Phần | Phần 1, Phần 2, Phần 3, Phần 4, Phần 5, Phần 6, Phần 7 | 
| Loại cấu trúc | Van liền khối | 
**Tính năng và Lợi ích của Sản phẩm:**
* Điều khiển thủ công để điều chỉnh dòng chảy chính xác
* Thiết kế 2 cửa để kiểm soát dòng chảy linh hoạt
* Cấu trúc monoblock cho thiết kế nhỏ gọn và chắc chắn
* Khả năng lưu lượng cao 45 L/phút (11.8 US gpm)
* Áp suất tối đa 315 bar (4600 psi)
* Cấu trúc bền bỉ cho tuổi thọ sử dụng lâu dài
**Ứng dụng:**
Van này lý tưởng để sử dụng trong các ứng dụng thủy lực khác nhau, bao gồm:
* Thiết bị xử lý vật liệu (xe nâng, cần cẩu, xe xếp)
* Máy móc xây dựng (máy xúc, máy xúc lật, máy san)
* Máy móc nông nghiệp (máy kéo, máy gặt, máy đóng kiện)
* Xe công nghiệp (xe quét, máy đầm, xe xử lý rác thải)



