Giao hàng nhanh
Giao hàng nhanh trong vòng 30 ngày



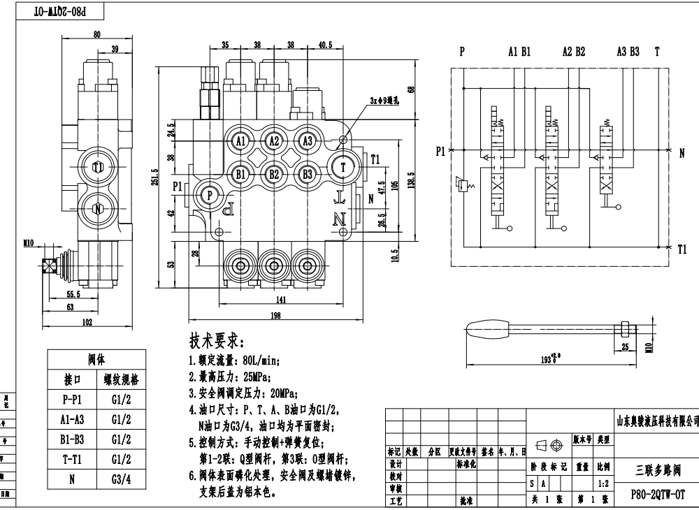
P80-G12-2QTW-OT là van điều hướng monoblock 3 cần gạt thủ công, được thiết kế cho hệ thống thủy lực. Nó cung cấp lưu lượng định mức 80 L/phút, áp suất tối đa 250 bar và phạm vi độ nhớt hoạt động từ 15 - 75 mm²/s. Van này thường được sử dụng trong nhiều ứng dụng khác nhau trên các ngành công nghiệp như xử lý vật liệu, xây dựng, máy công trình và nông nghiệp.
| Dòng P80 Van điều hướng Monoblock Parameters | |
|---|---|
| Xy lanh | Xy lanh 1, Xy lanh 2, Xy lanh 3, Xy lanh 4, Xy lanh 5, Xy lanh 6, Xy lanh 7 | 
| Phương pháp điều khiển | Điều khiển thủ công, Khí nén, Điện khí-khí nén, Điện khí-thủy lực, Biến áp, Thủy lực, Thủy lực và thủ công, Cáp, Tay điều khiển | 
| Kích thước cổng | G1/2, G3/4, M22×1.5, M27×2.0, SAE 10, 1/2 NPT, 3/4 NPT | 
| Phần | Phần 1, Phần 2, Phần 3, Phần 4, Phần 5, Phần 6, Phần 7 | 
| Phạm vi nhiệt độ môi trường xung quanh | -40°C đến +80°C (-40°F đến +176°F) | 
| Phạm vi độ nhớt hoạt động | 15 - 75 mm²/giây (15 cSt đến 75 cSt) | 
| Áp suất tối đa | 315 bar (4600 psi) | 
| Lưu lượng định mức | 80 L/phút (21.2 US gpm) | 
| Loại cấu trúc | Van liền khối | 
| Cổng vào | G1/2, G3/4, M27×2.0, SAE 10, SAE 12, 1/2 NPT, 3/4 NPT | 
**Tính năng và Lợi ích của Sản phẩm:**
* Điều khiển thủ công cho hoạt động chính xác
* Cấu trúc monoblock cho độ bền và kích thước nhỏ gọn
* Lưu lượng cao 80 L/phút cho hiệu suất hệ thống hiệu quả
* Áp suất tối đa 250 bar cho các ứng dụng đòi hỏi cao
* Phạm vi độ nhớt hoạt động rộng để tương thích với nhiều loại dầu thủy lực khác nhau
* Phù hợp với nhiệt độ môi trường từ -40°C đến +80°C
**Ứng dụng:**
Van điều hướng thủ công P80-G12-2QTW-OT được sử dụng rộng rãi trong các hệ thống thủy lực của máy móc di động và công nghiệp, bao gồm:
* Thiết bị xử lý vật liệu như xe nâng, xe nâng đa năng và cần cẩu
* Máy móc xây dựng và máy công trình như máy xúc, máy ủi và máy san gạt
* Máy móc nông nghiệp như máy kéo, máy gặt và máy đóng kiện
* Xe công nghiệp như xe quét, xe ép rác và xe chở container



