Giao hàng nhanh
Giao hàng nhanh trong vòng 30 ngày



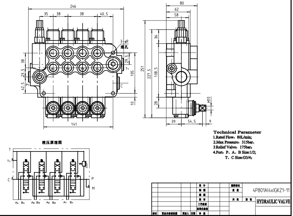
Van điều hướng nguyên khối 4 cửa thủ công P80-G12-G34-OT là một thành phần đa năng và bền bỉ, được thiết kế cho nhiều ứng dụng thủy lực. Với lưu lượng định mức 80 L/phút (21.2 US gpm) và áp suất tối đa 250 bar (3600 psi), van này có thể xử lý các hệ thống thủy lực đòi hỏi cao. Thiết kế nguyên khối nhỏ gọn của nó đảm bảo việc lắp đặt và bảo trì dễ dàng.
| Dòng P80 Van điều hướng Monoblock Parameters | |
|---|---|
| Xy lanh | Xy lanh 1, Xy lanh 2, Xy lanh 3, Xy lanh 4, Xy lanh 5, Xy lanh 6, Xy lanh 7 | 
| Phương pháp điều khiển | Điều khiển thủ công, Khí nén, Điện khí-khí nén, Điện khí-thủy lực, Biến áp, Thủy lực, Thủy lực và thủ công, Cáp, Tay điều khiển | 
| Kích thước cổng | G1/2, G3/4, M22×1.5, M27×2.0, SAE 10, 1/2 NPT, 3/4 NPT | 
| Phần | Phần 1, Phần 2, Phần 3, Phần 4, Phần 5, Phần 6, Phần 7 | 
| Phạm vi nhiệt độ môi trường xung quanh | -40°C đến +80°C (-40°F đến +176°F) | 
| Phạm vi độ nhớt hoạt động | 15 - 75 mm²/giây (15 cSt đến 75 cSt) | 
| Áp suất tối đa | 315 bar (4600 psi) | 
| Lưu lượng định mức | 80 L/phút (21.2 US gpm) | 
| Loại cấu trúc | Van liền khối | 
| Cổng vào | G1/2, G3/4, M27×2.0, SAE 10, SAE 12, 1/2 NPT, 3/4 NPT | 
**Tính năng và lợi ích của sản phẩm:**
* **Thiết kế nguyên khối nhỏ gọn:** Dễ dàng lắp đặt và bảo trì
* **Khả năng lưu lượng cao (80 L/phút):** Phù hợp cho các hệ thống thủy lực đòi hỏi cao
* **Xếp hạng áp suất cao (250 bar):** Có thể chịu được áp suất hệ thống cao
* **Điều khiển thủ công:** Vận hành chính xác và nhạy bén
* **Phạm vi độ nhớt hoạt động rộng (15 - 75 mm²/s):** Có thể xử lý nhiều loại dầu thủy lực khác nhau
* **Cấu trúc bền bỉ:** Đảm bảo tuổi thọ sử dụng lâu dài
**Ứng dụng:**
Van điều hướng nguyên khối 4 cửa thủ công P80-G12-G34-OT được sử dụng rộng rãi trong nhiều ứng dụng thủy lực khác nhau, bao gồm:
* Thiết bị xử lý vật liệu (ví dụ: xe nâng, xe nâng đa năng)
* Máy móc xây dựng và máy xúc đất (ví dụ: máy xúc, máy xúc lật)
* Máy móc nông nghiệp (ví dụ: máy kéo, máy gặt)
* Xe công nghiệp (ví dụ: xe quét đường, xe nén rác)



