Giao hàng nhanh
Giao hàng nhanh trong vòng 30 ngày



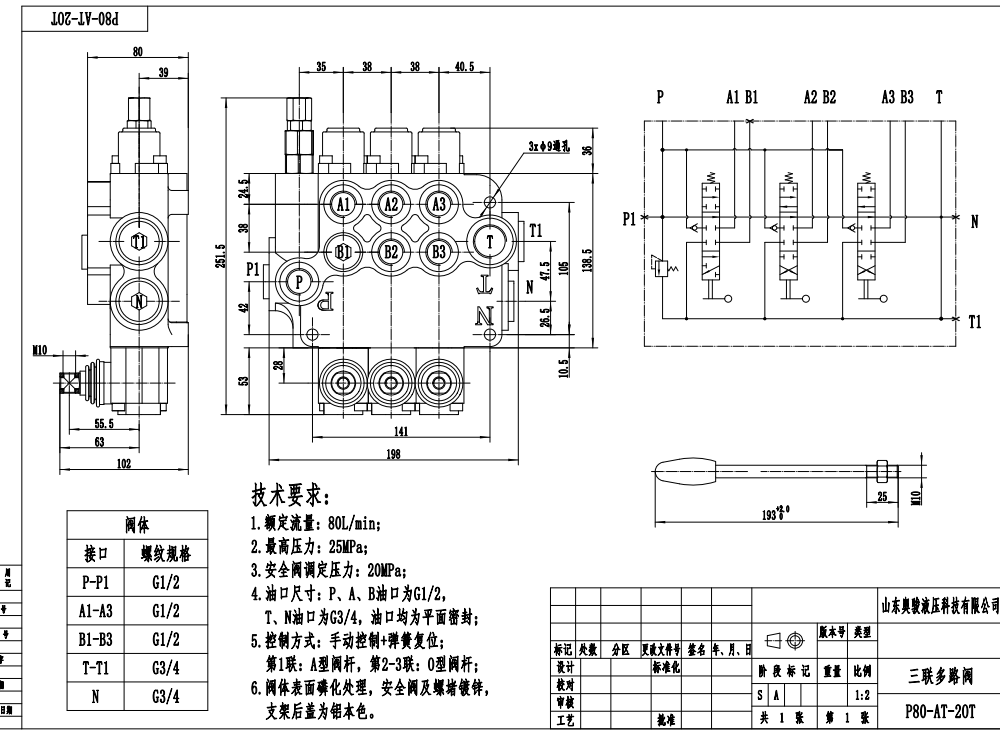
Van điều hướng Monoblock 3 cửa thủ công P80-G12-G34-AT-2OT là loại van lưu lượng và áp suất cao được thiết kế cho các ứng dụng thủy lực đòi hỏi khắt khe. Nó có phương pháp điều khiển thủ công, thiết kế 3 cửa và cấu trúc monoblock để tăng độ bền và độ tin cậy. Với lưu lượng định mức 80 L/phút và áp suất tối đa 250 bar, van này phù hợp với nhiều ứng dụng trong xử lý vật liệu, xây dựng và khai thác đất, nông nghiệp và xe công nghiệp.
| Dòng P80 Van điều hướng Monoblock Parameters | |
|---|---|
| Xy lanh | Xy lanh 1, Xy lanh 2, Xy lanh 3, Xy lanh 4, Xy lanh 5, Xy lanh 6, Xy lanh 7 | 
| Phương pháp điều khiển | Điều khiển thủ công, Khí nén, Điện khí-khí nén, Điện khí-thủy lực, Biến áp, Thủy lực, Thủy lực và thủ công, Cáp, Tay điều khiển | 
| Kích thước cổng | G1/2, G3/4, M22×1.5, M27×2.0, SAE 10, 1/2 NPT, 3/4 NPT | 
| Phần | Phần 1, Phần 2, Phần 3, Phần 4, Phần 5, Phần 6, Phần 7 | 
| Phạm vi nhiệt độ môi trường xung quanh | -40°C đến +80°C (-40°F đến +176°F) | 
| Phạm vi độ nhớt hoạt động | 15 - 75 mm²/giây (15 cSt đến 75 cSt) | 
| Áp suất tối đa | 315 bar (4600 psi) | 
| Lưu lượng định mức | 80 L/phút (21.2 US gpm) | 
| Loại cấu trúc | Van liền khối | 
| Cổng vào | G1/2, G3/4, M27×2.0, SAE 10, SAE 12, 1/2 NPT, 3/4 NPT | 
**Tính năng và Lợi ích của Sản phẩm:**
* Khả năng lưu lượng cao 80 L/phút cho hoạt động hiệu quả
* Áp suất định mức cao 250 bar cho các ứng dụng đòi hỏi khắt khe
* Phương pháp điều khiển thủ công cho hoạt động chính xác và nhạy bén
* Thiết kế 3 cửa cho khả năng điều khiển linh hoạt nhiều chức năng thủy lực
* Cấu trúc monoblock giúp tăng độ bền và giảm rò rỉ
* Phạm vi độ nhớt hoạt động rộng 15 - 75 mm²/s để tương thích với nhiều loại dầu thủy lực khác nhau
* Phạm vi nhiệt độ môi trường rộng từ -40°C đến +80°C cho hiệu suất đáng tin cậy trong điều kiện khắc nghiệt
**Ứng dụng:**
* Xử lý Vật liệu: Xe nâng, xe nâng đa năng, cần cẩu, xe xếp dỡ, sàn nâng người
* Xây dựng và Khai thác đất: Máy xúc, xe nâng trượt, máy xúc lật nhỏ gọn, máy san
* Nông nghiệp: Máy kéo, máy gặt, máy bó rơm, máy phun
* Xe Công nghiệp: Xe quét đường, xe ép rác, xe nâng container, xe cẩu tự hành



