Giao hàng nhanh
Giao hàng nhanh trong vòng 30 ngày



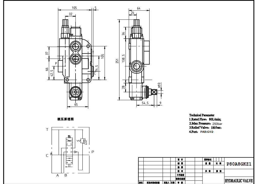
Van điều hướng monoblock 1 cửa điều khiển thủ công P80-G12-1OW là một loại van thủy lực hiệu suất cao được thiết kế cho nhiều ứng dụng khác nhau trong các ngành công nghiệp như xử lý vật liệu, xây dựng, nông nghiệp và xe công nghiệp. Với lưu lượng định mức 80 L/phút và áp suất tối đa 250 bar, van này đảm bảo kiểm soát hiệu quả và đáng tin cậy các hệ thống thủy lực.
| Dòng P80 Van điều hướng Monoblock Parameters | |
|---|---|
| Xy lanh | Xy lanh 1, Xy lanh 2, Xy lanh 3, Xy lanh 4, Xy lanh 5, Xy lanh 6, Xy lanh 7 | 
| Phương pháp điều khiển | Điều khiển thủ công, Khí nén, Điện khí-khí nén, Điện khí-thủy lực, Biến áp, Thủy lực, Thủy lực và thủ công, Cáp, Tay điều khiển | 
| Kích thước cổng | G1/2, G3/4, M22×1.5, M27×2.0, SAE 10, 1/2 NPT, 3/4 NPT | 
| Phần | Phần 1, Phần 2, Phần 3, Phần 4, Phần 5, Phần 6, Phần 7 | 
| Phạm vi nhiệt độ môi trường xung quanh | -40°C đến +80°C (-40°F đến +176°F) | 
| Phạm vi độ nhớt hoạt động | 15 - 75 mm²/giây (15 cSt đến 75 cSt) | 
| Áp suất tối đa | 315 bar (4600 psi) | 
| Lưu lượng định mức | 80 L/phút (21.2 US gpm) | 
| Loại cấu trúc | Van liền khối | 
| Cổng vào | G1/2, G3/4, M27×2.0, SAE 10, SAE 12, 1/2 NPT, 3/4 NPT | 
**Tính năng và lợi ích sản phẩm:**
* Điều khiển thủ công để vận hành chính xác và nhạy bén
* Cấu trúc monoblock giúp kích thước nhỏ gọn và giảm rò rỉ
* Thiết kế 1 cửa để linh hoạt và dễ sử dụng
* Lưu lượng cao 80 L/phút cho hiệu suất hệ thống hiệu quả
* Áp suất tối đa 250 bar cho độ bền và độ tin cậy
* Phạm vi độ nhớt hoạt động 15 - 75 mm²/s để tương thích với nhiều loại dầu thủy lực
* Phạm vi nhiệt độ môi trường từ -40°C đến +80°C để hoạt động trong điều kiện khắc nghiệt
**Ứng dụng:**
Van điều hướng monoblock 1 cửa điều khiển thủ công P80-G12-1OW được ứng dụng rộng rãi trong nhiều hệ thống thủy lực, bao gồm:
* Thiết bị xử lý vật liệu (xe nâng, xe nâng đa năng, cần cẩu)
* Máy móc xây dựng (máy xúc, máy xúc lật, máy san)
* Máy móc nông nghiệp (máy kéo, máy gặt, máy ép kiện)
* Xe công nghiệp (máy quét, máy nén rác, xe xử lý chất thải)
**Kết luận:**
Van điều hướng monoblock 1 cửa điều khiển thủ công P80-G12-1OW là một thành phần thiết yếu cho các hệ thống thủy lực trong nhiều ngành công nghiệp khác nhau. Cấu trúc chắc chắn, hiệu suất đáng tin cậy và tính linh hoạt của nó làm cho nó trở thành một lựa chọn tuyệt vời cho các ứng dụng đòi hỏi kiểm soát lưu lượng thủy lực chính xác và hiệu quả.



