Giao hàng nhanh
Giao hàng nhanh trong vòng 30 ngày



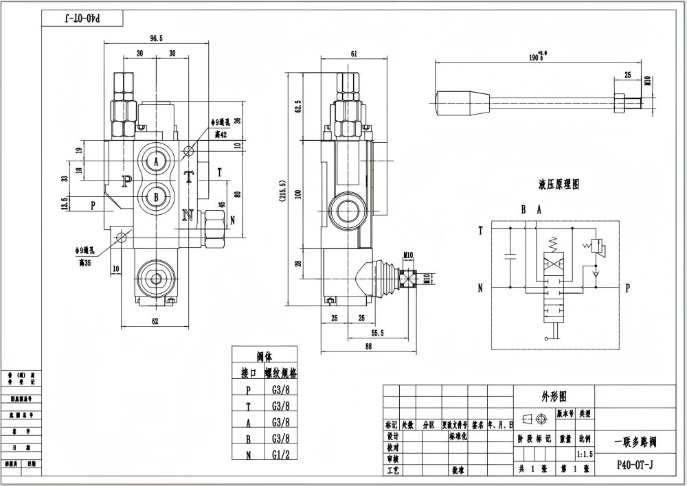
Van điều hướng Monoblock 1 cần gạt thủ công P40J là van thủy lực hiệu suất cao được thiết kế để điều khiển lưu lượng chính xác trong các hệ thống thủy lực khác nhau. Với lưu lượng định mức 40 L/phút và áp suất tối đa 250 bar, van này mang lại hoạt động đáng tin cậy và hiệu quả. Thiết kế monoblock nhỏ gọn của nó đảm bảo độ bền và dễ dàng lắp đặt.
| Dòng P40 Van điều hướng Monoblock Parameters | |
|---|---|
| Phương pháp điều khiển | Điều khiển thủ công, Khí nén, Điện khí-khí nén, Điện khí-thủy lực, Biến áp, Thủy lực, Thủy lực và thủ công, Cáp, Tay điều khiển, Thủ công và tay điều khiển | 
| Xy lanh | Xy lanh 1, Xy lanh 2, Xy lanh 3, Xy lanh 4, Xy lanh 5, Xy lanh 6, Xy lanh 7 | 
| Lưu lượng định mức | 40 L/phút (10.5 US gpm) | 
| Áp suất tối đa | 250 bar (3600 psi) | 
| Cổng vào | G3/8, G1/2, M18×1.5, M22×1.5, SAE 8, SAE 10, 3/8 NPT, 1/2 NPT | 
| Cổng ra | G3/8, G1/2, M18×1.5, M22×1.5, SAE 8, SAE 10, 3/8 NPT, 1/2 NPT | 
| Kích thước cổng | G3/8, G1/2, M18×1.5, SAE 8, SAE 10, 3/8 NPT, 1/2 NPT | 
| Phần | Phần 1, Phần 2, Phần 3, Phần 4, Phần 5, Phần 6, Phần 7 | 
| Loại cấu trúc | Van liền khối | 
| Phạm vi nhiệt độ môi trường xung quanh | -40°C đến +80°C (-40°F đến +176°F) | 
| Phạm vi độ nhớt hoạt động | 15 - 75 mm²/giây (15 cSt đến 75 cSt) | 
**Tính năng và Lợi ích của Sản phẩm:**
- Điều khiển thủ công để điều chỉnh lưu lượng chính xác
- Cấu trúc Monoblock cho độ bền và kích thước nhỏ gọn
- Lưu lượng định mức 40 L/phút cho hiệu suất hệ thống hiệu quả
- Áp suất tối đa 250 bar cho các ứng dụng đòi hỏi cao
- Phạm vi độ nhớt hoạt động rộng (15 - 75 mm²/s) để tương thích với nhiều loại chất lỏng
- Phạm vi nhiệt độ hoạt động từ -40°C đến +80°C cho hiệu suất đáng tin cậy trong các điều kiện đa dạng
**Ứng dụng:**
- Hệ thống thủy lực trong thiết bị xây dựng
- Máy móc nông nghiệp
- Xe công nghiệp
- Thiết bị xử lý vật liệu
- Xe nâng tầm với (Telehandlers)
- Xe nâng hàng
- Cần cẩu địa hình
- Xe xếp chồng (Stackers)
- Sàn nâng người (Aerial platforms)
- Máy san gạt
- Máy xúc
- Máy xúc lật mini
- Máy xúc lật bánh lốp nhỏ gọn



