Giao hàng nhanh
Giao hàng nhanh trong vòng 30 ngày



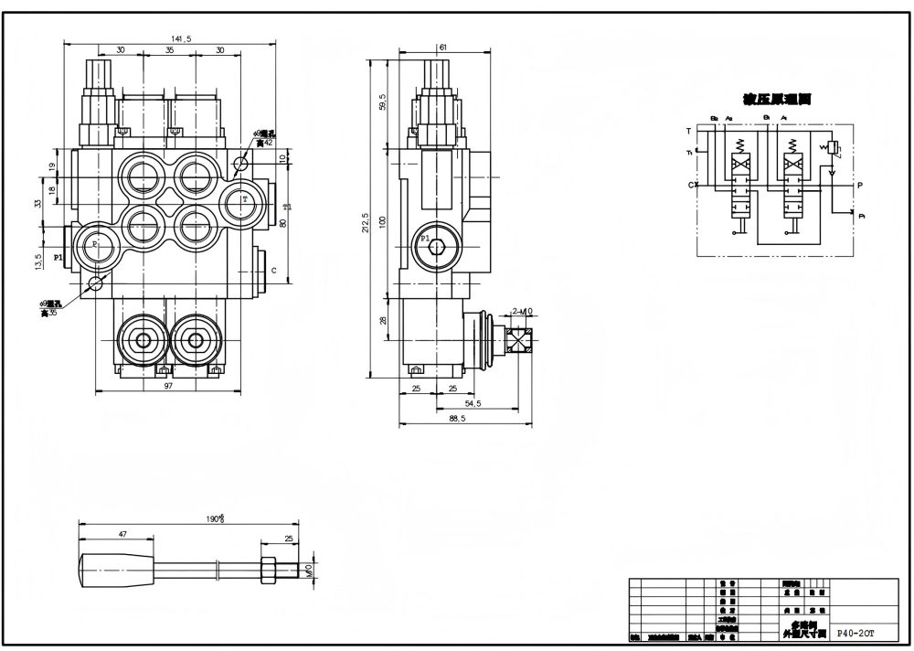
P40-XNHJ là một van thủy lực điều hướng monoblock 2 spool thủ công, mạnh mẽ, với lưu lượng định mức 40 L/phút và áp suất tối đa 250 bar. Lý tưởng cho nhiều ứng dụng trong xử lý vật liệu, xây dựng, nông nghiệp và xe công nghiệp, van này mang lại khả năng kiểm soát và hiệu suất đáng tin cậy trong các môi trường khắc nghiệt.
| P40-XNHJ Series Van điều hướng Monoblock Parameters | |
|---|---|
| Phương pháp điều khiển | Điều khiển thủ công, Khí nén, Điện khí-khí nén, Điện khí-thủy lực, Biến áp, Thủy lực, Thủy lực và thủ công, Cáp, Tay điều khiển, Thủ công và tay điều khiển | 
| Xy lanh | Xy lanh 1, Xy lanh 2, Xy lanh 3, Xy lanh 4, Xy lanh 5, Xy lanh 6, Xy lanh 7 | 
| Lưu lượng định mức | 40 L/phút (10.5 US gpm) | 
| Áp suất tối đa | 250 bar (3600 psi) | 
| Cổng vào | G3/8, G1/2, M18×1.5, M22×1.5, SAE 8, SAE 10, 3/8 NPT, 1/2 NPT | 
| Cổng ra | G3/8, G1/2, M18×1.5, M22×1.5, SAE 8, SAE 10, 3/8 NPT, 1/2 NPT | 
| Kích thước cổng | G3/8, G1/2, M18×1.5, SAE 8, SAE 10, 3/8 NPT, 1/2 NPT | 
| Phần | Phần 1, Phần 2, Phần 3, Phần 4, Phần 5, Phần 6, Phần 7 | 
| Loại cấu trúc | Van liền khối | 
| Phạm vi nhiệt độ môi trường xung quanh | -40°C đến +80°C (-40°F đến +176°F) | 
| Phạm vi độ nhớt hoạt động | 15 - 75 mm²/giây (15 cSt đến 75 cSt) | 
Van Điều Hướng Monoblock 2 Spool Thủ Công P40-XNHJ là một thành phần thủy lực hiệu suất cao được thiết kế cho các ứng dụng đòi hỏi khắt khe. Cấu trúc monoblock nhỏ gọn của nó đảm bảo độ tin cậy và độ bền, trong khi điều khiển thủ công mang lại hoạt động chính xác. Với lưu lượng định mức 40 L/phút và áp suất tối đa 250 bar, nó phù hợp cho nhiều loại thiết bị. Phạm vi độ nhớt và nhiệt độ hoạt động rộng của van (-40°C đến +80°C) đảm bảo hiệu suất nhất quán trong các điều kiện đa dạng. Hai spool của nó cho phép điều khiển linh hoạt các chức năng thủy lực. Van này lý tưởng để sử dụng trong xe nâng, xe nâng đa năng (telehandler), máy xúc lật trượt, máy kéo, máy xúc mini, máy xúc lật liên hợp, máy đóng kiện, máy gặt và máy phun thuốc, cung cấp khả năng điều khiển thủy lực đáng tin cậy và hiệu quả cho nhiều hoạt động khác nhau. P40-XNHJ được chế tạo để chịu được môi trường khắc nghiệt và mang lại hiệu suất lâu dài, làm cho nó trở thành một giải pháp hiệu quả về chi phí cho các nhà sản xuất thiết bị gốc (OEM) và người dùng cuối. Chúng tôi cung cấp các tùy chọn sản xuất, OEM, nhãn hiệu riêng, tùy chỉnh và bán buôn, và đang tích cực tìm kiếm các nhà phân phối, nhà bán buôn, đại lý và thương nhân trên toàn cầu.



