Giao hàng nhanh
Giao hàng nhanh trong vòng 30 ngày



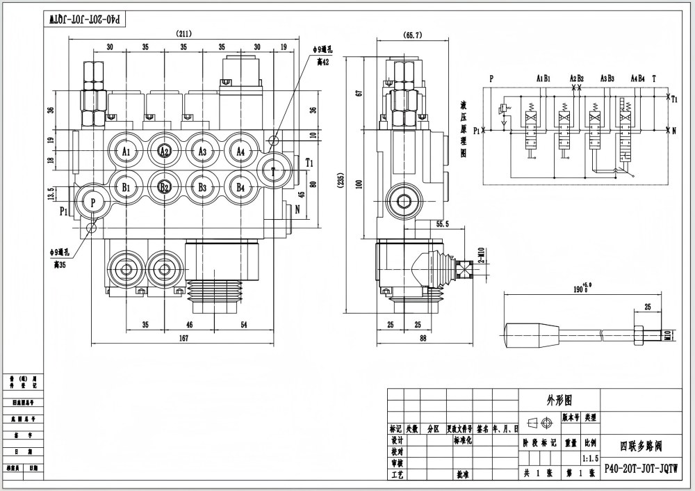
Van điều hướng Monoblock P40 với 4 cửa, điều khiển thủ công và cần điều khiển là một van thủy lực hiệu suất cao được thiết kế để sử dụng trong các ứng dụng đòi hỏi khắt khe, cần kiểm soát dòng chảy chất lỏng chính xác. Với lưu lượng định mức 40 L/phút (10.5 US gpm) và áp suất tối đa 250 bar (3600 psi), van này phù hợp cho nhiều ứng dụng trong các ngành công nghiệp xử lý vật liệu, xây dựng, nông nghiệp và xe công nghiệp.
| Dòng P40 Van điều hướng Monoblock Parameters | |
|---|---|
| Phương pháp điều khiển | Điều khiển thủ công, Khí nén, Điện khí-khí nén, Điện khí-thủy lực, Biến áp, Thủy lực, Thủy lực và thủ công, Cáp, Tay điều khiển, Thủ công và tay điều khiển | 
| Xy lanh | Xy lanh 1, Xy lanh 2, Xy lanh 3, Xy lanh 4, Xy lanh 5, Xy lanh 6, Xy lanh 7 | 
| Lưu lượng định mức | 40 L/phút (10.5 US gpm) | 
| Áp suất tối đa | 250 bar (3600 psi) | 
| Cổng vào | G3/8, G1/2, M18×1.5, M22×1.5, SAE 8, SAE 10, 3/8 NPT, 1/2 NPT | 
| Cổng ra | G3/8, G1/2, M18×1.5, M22×1.5, SAE 8, SAE 10, 3/8 NPT, 1/2 NPT | 
| Kích thước cổng | G3/8, G1/2, M18×1.5, SAE 8, SAE 10, 3/8 NPT, 1/2 NPT | 
| Phần | Phần 1, Phần 2, Phần 3, Phần 4, Phần 5, Phần 6, Phần 7 | 
| Loại cấu trúc | Van liền khối | 
| Phạm vi nhiệt độ môi trường xung quanh | -40°C đến +80°C (-40°F đến +176°F) | 
| Phạm vi độ nhớt hoạt động | 15 - 75 mm²/giây (15 cSt đến 75 cSt) | 
**Tính năng và Lợi ích của Sản phẩm:**
* Điều khiển thủ công và cần điều khiển cho vận hành chính xác và dễ dàng
* Cấu trúc monoblock giúp tăng độ bền và giảm rò rỉ
* Thiết kế 4 cửa cho khả năng kiểm soát dòng chảy linh hoạt
* Lưu lượng 40 L/phút (10.5 US gpm) cho hoạt động hiệu quả
* Áp suất tối đa 250 bar (3600 psi) cho các ứng dụng đòi hỏi khắt khe
* Dải độ nhớt hoạt động rộng 15 - 75 mm²/s (15 cSt đến 75 cSt) để tương thích với nhiều loại chất lỏng khác nhau
* Dải nhiệt độ môi trường rộng từ -40°C đến +80°C (-40°F đến +176°F) để sử dụng trong môi trường khắc nghiệt
**Ứng dụng:**
* Thiết bị xử lý vật liệu, như xe nâng, xe nâng đa năng (telehandler) và cần cẩu
* Thiết bị xây dựng, như máy xúc, máy xúc lật và máy san
* Máy móc nông nghiệp, như máy kéo và máy gặt
* Xe công nghiệp, như xe quét đường, xe đầm nén và xe xử lý chất thải



