Giao hàng nhanh
Giao hàng nhanh trong vòng 30 ngày



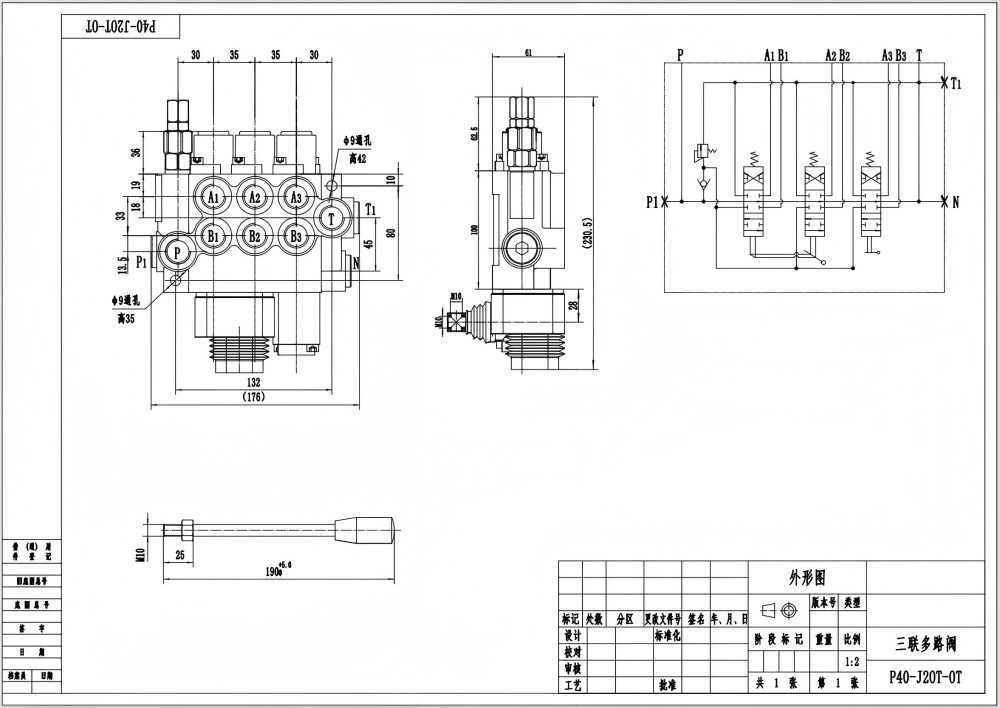
Van định hướng Monoblock 3 cuộn P40 điều khiển bằng tay và cần điều khiển là một loại van thủy lực hiệu suất cao được thiết kế cho các ứng dụng đòi hỏi cao trong nhiều ngành công nghiệp. Với lưu lượng định mức 40 L/phút và áp suất tối đa 250 bar, nó cung cấp khả năng điều khiển dòng chảy đáng tin cậy và hiệu quả. Các tùy chọn điều khiển bằng tay và cần điều khiển linh hoạt của nó làm cho nó phù hợp cho hoạt động chính xác trong các tình huống khác nhau.
| Dòng P40 Van điều hướng Monoblock Parameters | |
|---|---|
| Phương pháp điều khiển | Điều khiển thủ công, Khí nén, Điện khí-khí nén, Điện khí-thủy lực, Biến áp, Thủy lực, Thủy lực và thủ công, Cáp, Tay điều khiển, Thủ công và tay điều khiển | 
| Xy lanh | Xy lanh 1, Xy lanh 2, Xy lanh 3, Xy lanh 4, Xy lanh 5, Xy lanh 6, Xy lanh 7 | 
| Lưu lượng định mức | 40 L/phút (10.5 US gpm) | 
| Áp suất tối đa | 250 bar (3600 psi) | 
| Cổng vào | G3/8, G1/2, M18×1.5, M22×1.5, SAE 8, SAE 10, 3/8 NPT, 1/2 NPT | 
| Cổng ra | G3/8, G1/2, M18×1.5, M22×1.5, SAE 8, SAE 10, 3/8 NPT, 1/2 NPT | 
| Kích thước cổng | G3/8, G1/2, M18×1.5, SAE 8, SAE 10, 3/8 NPT, 1/2 NPT | 
| Phần | Phần 1, Phần 2, Phần 3, Phần 4, Phần 5, Phần 6, Phần 7 | 
| Loại cấu trúc | Van liền khối | 
| Phạm vi nhiệt độ môi trường xung quanh | -40°C đến +80°C (-40°F đến +176°F) | 
| Phạm vi độ nhớt hoạt động | 15 - 75 mm²/giây (15 cSt đến 75 cSt) | 
**Tính năng và Lợi ích của Sản phẩm:**
* Điều khiển bằng tay và cần điều khiển cho hoạt động chính xác và linh hoạt
* Thiết kế 3 cuộn để điều khiển độc lập nhiều mạch thủy lực
* Cấu trúc monoblock cho kích thước nhỏ gọn và giảm rò rỉ
* Lưu lượng định mức 40 L/phút cho hiệu suất hiệu quả
* Áp suất tối đa 250 bar cho các ứng dụng đòi hỏi cao
* Phạm vi độ nhớt hoạt động từ 15 - 75 mm²/s để tương thích với nhiều loại dầu thủy lực khác nhau
* Phạm vi nhiệt độ môi trường từ -40°C đến +80°C để hoạt động trong các môi trường đa dạng
**Ứng dụng:**
Van định hướng Monoblock 3 cuộn P40 điều khiển bằng tay và cần điều khiển được sử dụng rộng rãi trong nhiều ngành công nghiệp, bao gồm:
* Thiết bị xử lý vật liệu (xe nâng, xe nâng đa năng, xe xếp chồng)
* Máy móc xây dựng (máy xúc, máy xúc lật, cần cẩu)
* Máy móc nông nghiệp (máy kéo, máy gặt, máy bó)
* Xe công nghiệp (xe quét, máy nén rác, xe chở móc)



