Giao hàng nhanh
Giao hàng nhanh trong vòng 30 ngày



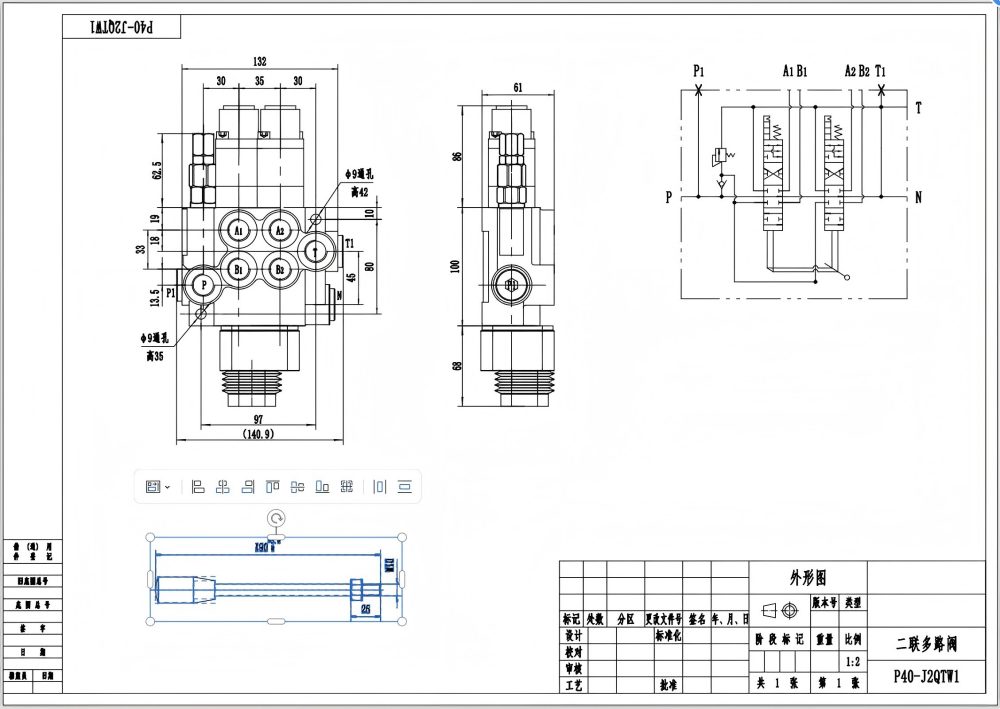
Van điều hướng Monoblock 2 ống trượt điều khiển thủ công và cần điều khiển P40 là một van thủy lực hiệu suất cao được thiết kế cho các ứng dụng đòi hỏi khắt khe. Với lưu lượng định mức 40 L/phút và áp suất tối đa 250 bar, nó cung cấp khả năng kiểm soát chính xác dòng chảy và hướng của chất lỏng. Thiết kế monoblock nhỏ gọn của nó đảm bảo độ bền và độ tin cậy, trong khi các tùy chọn điều khiển thủ công và cần điều khiển mang lại sự linh hoạt và dễ vận hành.
| Dòng P40 Van điều hướng Monoblock Parameters | |
|---|---|
| Phương pháp điều khiển | Điều khiển thủ công, Khí nén, Điện khí-khí nén, Điện khí-thủy lực, Biến áp, Thủy lực, Thủy lực và thủ công, Cáp, Tay điều khiển, Thủ công và tay điều khiển | 
| Xy lanh | Xy lanh 1, Xy lanh 2, Xy lanh 3, Xy lanh 4, Xy lanh 5, Xy lanh 6, Xy lanh 7 | 
| Lưu lượng định mức | 40 L/phút (10.5 US gpm) | 
| Áp suất tối đa | 250 bar (3600 psi) | 
| Cổng vào | G3/8, G1/2, M18×1.5, M22×1.5, SAE 8, SAE 10, 3/8 NPT, 1/2 NPT | 
| Cổng ra | G3/8, G1/2, M18×1.5, M22×1.5, SAE 8, SAE 10, 3/8 NPT, 1/2 NPT | 
| Kích thước cổng | G3/8, G1/2, M18×1.5, SAE 8, SAE 10, 3/8 NPT, 1/2 NPT | 
| Phần | Phần 1, Phần 2, Phần 3, Phần 4, Phần 5, Phần 6, Phần 7 | 
| Loại cấu trúc | Van liền khối | 
| Phạm vi nhiệt độ môi trường xung quanh | -40°C đến +80°C (-40°F đến +176°F) | 
| Phạm vi độ nhớt hoạt động | 15 - 75 mm²/giây (15 cSt đến 75 cSt) | 
**Tính năng và lợi ích của sản phẩm:**
- Lưu lượng định mức 40 L/phút (10.5 US gpm) để kiểm soát dòng chảy hiệu quả
- Áp suất tối đa 250 bar (3600 psi) để vận hành đáng tin cậy trong các hệ thống áp suất cao
- Tùy chọn điều khiển thủ công và cần điều khiển mang lại sự linh hoạt và dễ vận hành
- Thiết kế Monoblock để tăng độ bền và giảm rò rỉ
- Dải độ nhớt hoạt động 15 - 75 mm²/s (15 cSt đến 75 cSt) để tương thích với nhiều loại chất lỏng khác nhau
- Dải nhiệt độ môi trường -40°C đến +80°C (-40°F đến +176°F) để sử dụng trong điều kiện nhiệt độ khắc nghiệt
**Ứng dụng:**
- Thiết bị xử lý vật liệu
- Máy móc xây dựng và san lấp mặt bằng
- Máy móc nông nghiệp
- Phương tiện công nghiệp



