Giao hàng nhanh
Giao hàng nhanh trong vòng 30 ngày



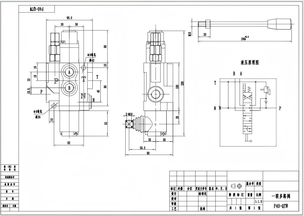
Van điều hướng Monoblock 1 tay gạt thủ công P40-G38-OT là một van thủy lực hiệu suất cao được thiết kế cho nhiều ứng dụng khác nhau trong các ngành công nghiệp như xử lý vật liệu, xây dựng, nông nghiệp và xe công nghiệp. Nó có thiết kế monoblock nhỏ gọn, điều khiển thủ công và lưu lượng định mức 40 L/phút (10.5 US gpm), làm cho nó phù hợp với nhiều hệ thống thủy lực.
| Dòng P40 Van điều hướng Monoblock Parameters | |
|---|---|
| Phương pháp điều khiển | Điều khiển thủ công, Khí nén, Điện khí-khí nén, Điện khí-thủy lực, Biến áp, Thủy lực, Thủy lực và thủ công, Cáp, Tay điều khiển, Thủ công và tay điều khiển | 
| Xy lanh | Xy lanh 1, Xy lanh 2, Xy lanh 3, Xy lanh 4, Xy lanh 5, Xy lanh 6, Xy lanh 7 | 
| Lưu lượng định mức | 40 L/phút (10.5 US gpm) | 
| Áp suất tối đa | 250 bar (3600 psi) | 
| Cổng vào | G3/8, G1/2, M18×1.5, M22×1.5, SAE 8, SAE 10, 3/8 NPT, 1/2 NPT | 
| Cổng ra | G3/8, G1/2, M18×1.5, M22×1.5, SAE 8, SAE 10, 3/8 NPT, 1/2 NPT | 
| Kích thước cổng | G3/8, G1/2, M18×1.5, SAE 8, SAE 10, 3/8 NPT, 1/2 NPT | 
| Phần | Phần 1, Phần 2, Phần 3, Phần 4, Phần 5, Phần 6, Phần 7 | 
| Loại cấu trúc | Van liền khối | 
| Phạm vi nhiệt độ môi trường xung quanh | -40°C đến +80°C (-40°F đến +176°F) | 
| Phạm vi độ nhớt hoạt động | 15 - 75 mm²/giây (15 cSt đến 75 cSt) | 
Tính năng và Lợi ích của Sản phẩm:
* Thiết kế monoblock nhỏ gọn giúp tiết kiệm không gian lắp đặt
* Điều khiển thủ công cho hoạt động chính xác và đáng tin cậy
* Khả năng lưu lượng 40 L/phút (10.5 US gpm) đáp ứng nhu cầu của nhiều ứng dụng khác nhau
* Cấu tạo bền bỉ đảm bảo tuổi thọ và độ tin cậy cao
* Thiết kế đa năng tương thích với nhiều hệ thống thủy lực
Ứng dụng:
Van điều hướng Monoblock 1 tay gạt thủ công P40-G38-OT thường được sử dụng trong các hệ thống thủy lực cho nhiều ứng dụng khác nhau, bao gồm:
* Thiết bị xử lý vật liệu, như xe nâng, xe nâng đa năng và cần cẩu
* Máy móc xây dựng, như máy xúc, máy xúc lật và máy san gạt
* Thiết bị nông nghiệp, như máy kéo, máy gặt và máy ép kiện
* Xe công nghiệp, như xe quét đường, xe đầm nén và xe xử lý chất thải



