Giao hàng nhanh
Giao hàng nhanh trong vòng 30 ngày



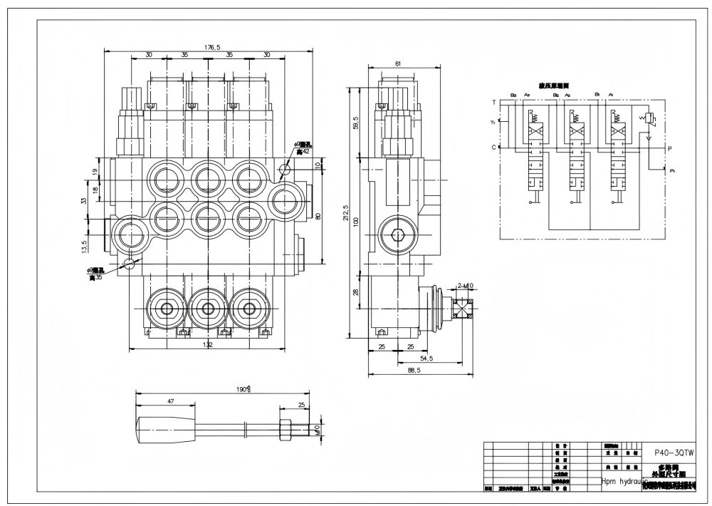
Van điều hướng Monoblock 3 cửa thủ công P40-G38-G12-OT là một van thủy lực hiệu suất cao được thiết kế cho các ứng dụng đòi hỏi khắt khe. Với lưu lượng danh định 40 L/phút (10.5 US gpm) và áp suất tối đa 250 bar (3600 psi), nó cung cấp khả năng điều khiển lưu lượng đáng tin cậy và hiệu quả. Cấu trúc monoblock của nó đảm bảo độ bền và giảm thiểu rò rỉ, trong khi điều khiển thủ công cho phép vận hành chính xác và nhạy bén. Van phù hợp cho nhiều ứng dụng khác nhau, bao gồm xử lý vật liệu, xây dựng, nông nghiệp và xe công nghiệp.
| Dòng P40 Van điều hướng Monoblock Parameters | |
|---|---|
| Phương pháp điều khiển | Điều khiển thủ công, Khí nén, Điện khí-khí nén, Điện khí-thủy lực, Biến áp, Thủy lực, Thủy lực và thủ công, Cáp, Tay điều khiển, Thủ công và tay điều khiển | 
| Xy lanh | Xy lanh 1, Xy lanh 2, Xy lanh 3, Xy lanh 4, Xy lanh 5, Xy lanh 6, Xy lanh 7 | 
| Lưu lượng định mức | 40 L/phút (10.5 US gpm) | 
| Áp suất tối đa | 250 bar (3600 psi) | 
| Cổng vào | G3/8, G1/2, M18×1.5, M22×1.5, SAE 8, SAE 10, 3/8 NPT, 1/2 NPT | 
| Cổng ra | G3/8, G1/2, M18×1.5, M22×1.5, SAE 8, SAE 10, 3/8 NPT, 1/2 NPT | 
| Kích thước cổng | G3/8, G1/2, M18×1.5, SAE 8, SAE 10, 3/8 NPT, 1/2 NPT | 
| Phần | Phần 1, Phần 2, Phần 3, Phần 4, Phần 5, Phần 6, Phần 7 | 
| Loại cấu trúc | Van liền khối | 
| Phạm vi nhiệt độ môi trường xung quanh | -40°C đến +80°C (-40°F đến +176°F) | 
| Phạm vi độ nhớt hoạt động | 15 - 75 mm²/giây (15 cSt đến 75 cSt) | 
**Tính năng và Lợi ích của Sản phẩm:**
* **Dung lượng lưu lượng:** Lưu lượng danh định 40 L/phút (10.5 US gpm) để truyền chất lỏng hiệu quả.
* **Khả năng áp suất:** Áp suất tối đa 250 bar (3600 psi) cho các ứng dụng đòi hỏi khắt khe.
* **Cấu trúc Monoblock:** Thiết kế bền bỉ và chống rò rỉ cho hiệu suất đáng tin cậy.
* **Điều khiển thủ công:** Vận hành chính xác và nhạy bén để điều khiển lưu lượng tối ưu.
* **Phạm vi nhiệt độ hoạt động rộng:** Từ -40°C đến +80°C (-40°F đến +176°F) để sử dụng trong nhiều môi trường khác nhau.
**Ứng dụng:**
* Xử lý Vật liệu: Xe nâng, xe nâng đa năng, cần cẩu, xe xếp chồng
* Xây dựng và Di chuyển Đất: Máy xúc, máy xúc lật, máy san, xe ben
* Nông nghiệp: Máy kéo, máy gặt, máy ép kiện, máy phun
* Xe công nghiệp: Xe quét đường, máy nén rác, xe cẩu tự hành



