Giao hàng nhanh
Giao hàng nhanh trong vòng 30 ngày



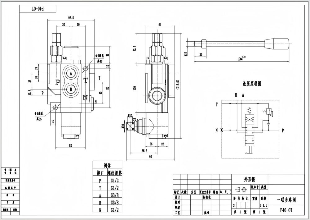
Van điều hướng Monoblock 1 Con trượt Thủ công P40-G12-OT là một van thủy lực hiệu suất cao được thiết kế cho các ứng dụng đòi hỏi khắt khe trong nhiều ngành công nghiệp khác nhau. Với lưu lượng định mức 40 L/phút và áp suất tối đa 250 bar, van này cung cấp khả năng điều khiển lưu lượng đáng tin cậy và hiệu quả. Thiết kế monoblock nhỏ gọn của nó đảm bảo độ bền và dễ dàng lắp đặt, làm cho nó trở thành lựa chọn lý tưởng cho các ứng dụng có không gian hạn chế.
| Dòng P40 Van điều hướng Monoblock Parameters | |
|---|---|
| Phương pháp điều khiển | Điều khiển thủ công, Khí nén, Điện khí-khí nén, Điện khí-thủy lực, Biến áp, Thủy lực, Thủy lực và thủ công, Cáp, Tay điều khiển, Thủ công và tay điều khiển | 
| Xy lanh | Xy lanh 1, Xy lanh 2, Xy lanh 3, Xy lanh 4, Xy lanh 5, Xy lanh 6, Xy lanh 7 | 
| Lưu lượng định mức | 40 L/phút (10.5 US gpm) | 
| Áp suất tối đa | 250 bar (3600 psi) | 
| Cổng vào | G3/8, G1/2, M18×1.5, M22×1.5, SAE 8, SAE 10, 3/8 NPT, 1/2 NPT | 
| Cổng ra | G3/8, G1/2, M18×1.5, M22×1.5, SAE 8, SAE 10, 3/8 NPT, 1/2 NPT | 
| Kích thước cổng | G3/8, G1/2, M18×1.5, SAE 8, SAE 10, 3/8 NPT, 1/2 NPT | 
| Phần | Phần 1, Phần 2, Phần 3, Phần 4, Phần 5, Phần 6, Phần 7 | 
| Loại cấu trúc | Van liền khối | 
| Phạm vi nhiệt độ môi trường xung quanh | -40°C đến +80°C (-40°F đến +176°F) | 
| Phạm vi độ nhớt hoạt động | 15 - 75 mm²/giây (15 cSt đến 75 cSt) | 
**Các tính năng và lợi ích của sản phẩm:**
* Điều khiển thủ công để điều chỉnh lưu lượng chính xác
* Thiết kế 1 phần cho hoạt động đơn giản và hiệu quả
* Cấu trúc monoblock cho độ bền và kích thước nhỏ gọn
* Dải độ nhớt hoạt động 15 - 75 mm²/s để tương thích với nhiều loại dầu thủy lực khác nhau
* Dải nhiệt độ môi trường từ -40°C đến +80°C để sử dụng trong điều kiện khắc nghiệt
**Ứng dụng:**
Van điều hướng Monoblock 1 Con trượt Thủ công P40-G12-OT được sử dụng rộng rãi trong nhiều ứng dụng khác nhau, bao gồm:
* Thiết bị xử lý vật liệu
* Máy móc xây dựng và san lấp mặt bằng
* Xe nông nghiệp
* Xe công nghiệp
**Các ứng dụng cụ thể:**
* Xe nâng đa năng
* Xe nâng hàng
* Cần cẩu địa hình
* Máy xếp hàng
* Sàn nâng người
* Máy san gạt
* Máy xúc tầm trung
* Máy xúc mini
* Máy xúc lật bánh lốp nhỏ gọn



