Giao hàng nhanh
Giao hàng nhanh trong vòng 30 ngày



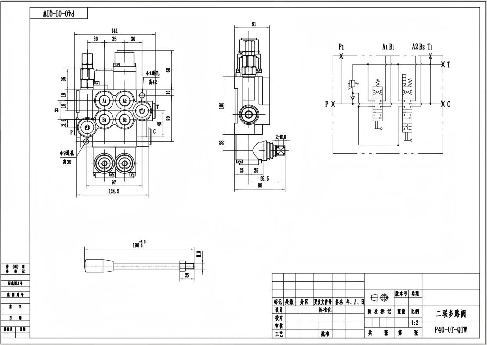
Van điều hướng Monoblock 2 Spool thủ công P40-G12-G38-OT-QTW là một van thủy lực hiệu suất cao được thiết kế để sử dụng trong nhiều ứng dụng công nghiệp. Với lưu lượng định mức 40 L/phút và áp suất tối đa 250 bar, van này có khả năng xử lý các hệ thống thủy lực đòi hỏi cao. Thiết kế monoblock nhỏ gọn và phương pháp điều khiển thủ công giúp dễ dàng tích hợp vào các hệ thống hiện có.
| Dòng P40 Van điều hướng Monoblock Parameters | |
|---|---|
| Phương pháp điều khiển | Điều khiển thủ công, Khí nén, Điện khí-khí nén, Điện khí-thủy lực, Biến áp, Thủy lực, Thủy lực và thủ công, Cáp, Tay điều khiển, Thủ công và tay điều khiển | 
| Xy lanh | Xy lanh 1, Xy lanh 2, Xy lanh 3, Xy lanh 4, Xy lanh 5, Xy lanh 6, Xy lanh 7 | 
| Lưu lượng định mức | 40 L/phút (10.5 US gpm) | 
| Áp suất tối đa | 250 bar (3600 psi) | 
| Cổng vào | G3/8, G1/2, M18×1.5, M22×1.5, SAE 8, SAE 10, 3/8 NPT, 1/2 NPT | 
| Cổng ra | G3/8, G1/2, M18×1.5, M22×1.5, SAE 8, SAE 10, 3/8 NPT, 1/2 NPT | 
| Kích thước cổng | G3/8, G1/2, M18×1.5, SAE 8, SAE 10, 3/8 NPT, 1/2 NPT | 
| Phần | Phần 1, Phần 2, Phần 3, Phần 4, Phần 5, Phần 6, Phần 7 | 
| Loại cấu trúc | Van liền khối | 
| Phạm vi nhiệt độ môi trường xung quanh | -40°C đến +80°C (-40°F đến +176°F) | 
| Phạm vi độ nhớt hoạt động | 15 - 75 mm²/giây (15 cSt đến 75 cSt) | 
**Tính năng và Lợi ích của Sản phẩm:**
* Điều khiển thủ công để vận hành chính xác
* Thiết kế 2 spool cho tính linh hoạt
* Cấu trúc monoblock cho hiệu suất nhỏ gọn và không rò rỉ
* Lưu lượng định mức 40 L/phút cho hiệu suất cao
* Áp suất tối đa 250 bar cho độ bền
* Dải độ nhớt hoạt động 15 - 75 mm²/s để tương thích với nhiều loại dầu thủy lực
* Dải nhiệt độ môi trường từ -40°C đến +80°C để sử dụng trong môi trường khắc nghiệt
**Ứng dụng:**
* Thiết bị xử lý vật liệu
* Máy móc xây dựng và san ủi đất
* Máy móc nông nghiệp
* Xe công nghiệp
* Xe nâng đa năng (Telehandlers)
* Xe nâng hàng
* Cần cẩu địa hình
* Xe xếp chồng (Stackers)
* Nền tảng nâng người (Aerial platforms)
* Xe ủi san



