Giao hàng nhanh
Giao hàng nhanh trong vòng 30 ngày



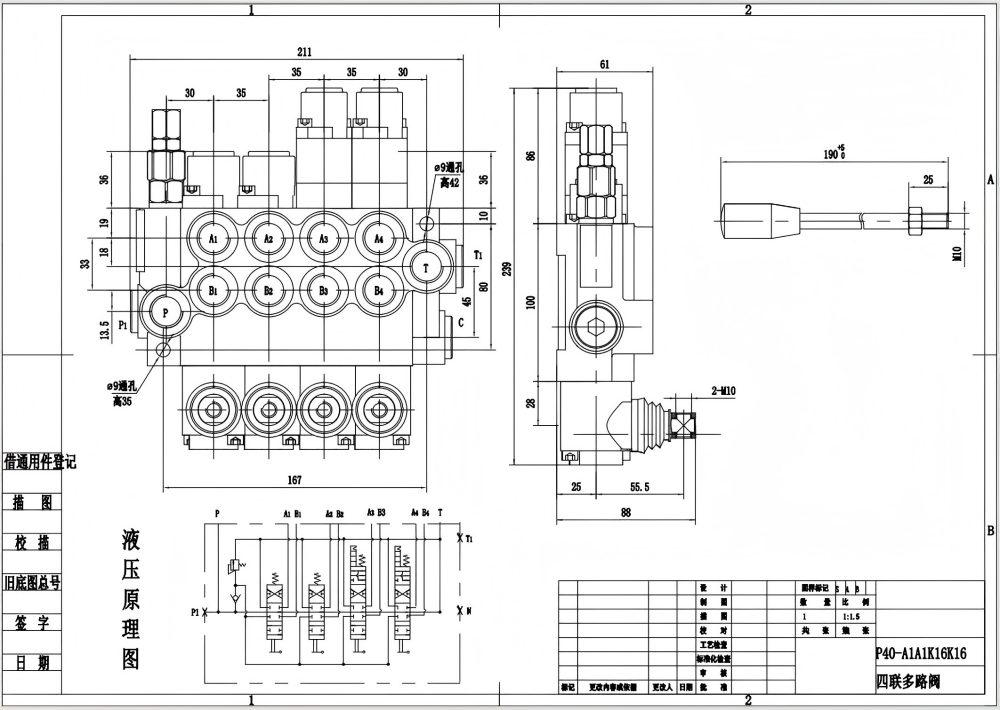
Van điều hướng Monoblock 4 cuộn thủ công P40-G12-G38 là một loại van thủy lực hiệu suất cao được thiết kế cho nhiều ứng dụng trong các ngành công nghiệp như xử lý vật liệu, xây dựng, nông nghiệp và các phương tiện công nghiệp. Với cấu trúc mạnh mẽ, điều khiển thủ công đáng tin cậy và thiết kế monoblock nhỏ gọn, van này cung cấp khả năng kiểm soát dòng chảy chính xác và chuyển đổi hướng trong các hệ thống thủy lực.
| Dòng P40 Van điều hướng Monoblock Parameters | |
|---|---|
| Phương pháp điều khiển | Điều khiển thủ công, Khí nén, Điện khí-khí nén, Điện khí-thủy lực, Biến áp, Thủy lực, Thủy lực và thủ công, Cáp, Tay điều khiển, Thủ công và tay điều khiển | 
| Xy lanh | Xy lanh 1, Xy lanh 2, Xy lanh 3, Xy lanh 4, Xy lanh 5, Xy lanh 6, Xy lanh 7 | 
| Lưu lượng định mức | 40 L/phút (10.5 US gpm) | 
| Áp suất tối đa | 250 bar (3600 psi) | 
| Cổng vào | G3/8, G1/2, M18×1.5, M22×1.5, SAE 8, SAE 10, 3/8 NPT, 1/2 NPT | 
| Cổng ra | G3/8, G1/2, M18×1.5, M22×1.5, SAE 8, SAE 10, 3/8 NPT, 1/2 NPT | 
| Kích thước cổng | G3/8, G1/2, M18×1.5, SAE 8, SAE 10, 3/8 NPT, 1/2 NPT | 
| Phần | Phần 1, Phần 2, Phần 3, Phần 4, Phần 5, Phần 6, Phần 7 | 
| Loại cấu trúc | Van liền khối | 
| Phạm vi nhiệt độ môi trường xung quanh | -40°C đến +80°C (-40°F đến +176°F) | 
| Phạm vi độ nhớt hoạt động | 15 - 75 mm²/giây (15 cSt đến 75 cSt) | 
**Tính năng và Lợi ích của Sản phẩm:**
* Điều khiển thủ công để vận hành chính xác và nhạy bén
* Thiết kế 4 cuộn để kiểm soát dòng chảy linh hoạt
* Cấu trúc Monoblock cho hiệu suất nhỏ gọn và không rò rỉ
* Công suất lưu lượng 40 L/phút (10.5 US gpm)
* Áp suất định mức tối đa 250 bar (3600 psi)
* Phạm vi độ nhớt hoạt động rộng 15 - 75 mm²/s (15 cSt đến 75 cSt)
* Cấu trúc bền bỉ cho các ứng dụng đòi hỏi khắt khe
**Ứng dụng:**
Van điều hướng Monoblock 4 cuộn thủ công P40-G12-G38 phù hợp với nhiều ứng dụng, bao gồm:
* Thiết bị xử lý vật liệu, như xe nâng, xe nâng đa năng và cần cẩu
* Máy móc xây dựng, như máy xúc, máy xúc lật mini và máy san
* Xe nông nghiệp, như máy kéo, máy gặt và máy đóng kiện
* Xe công nghiệp, như máy quét, máy nén rác và xe cẩu móc



