Giao hàng nhanh
Giao hàng nhanh trong vòng 30 ngày



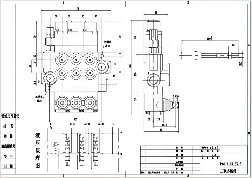
Van điều hướng Monoblock 3 Spool thủ công P40-G12-G38-3QTW là một van thủy lực hiệu suất cao được thiết kế để sử dụng trong nhiều ứng dụng công nghiệp. Nó có cấu trúc monoblock mạnh mẽ, điều khiển thủ công và tốc độ dòng chảy 40 L/phút. Với áp suất tối đa 250 bar và phạm vi nhiệt độ hoạt động từ -40°C đến +80°C, van này phù hợp cho các ứng dụng đòi hỏi khắt khe trong nhiều ngành công nghiệp khác nhau.
| Dòng P40 Van điều hướng Monoblock Parameters | |
|---|---|
| Phương pháp điều khiển | Điều khiển thủ công, Khí nén, Điện khí-khí nén, Điện khí-thủy lực, Biến áp, Thủy lực, Thủy lực và thủ công, Cáp, Tay điều khiển, Thủ công và tay điều khiển | 
| Xy lanh | Xy lanh 1, Xy lanh 2, Xy lanh 3, Xy lanh 4, Xy lanh 5, Xy lanh 6, Xy lanh 7 | 
| Lưu lượng định mức | 40 L/phút (10.5 US gpm) | 
| Áp suất tối đa | 250 bar (3600 psi) | 
| Cổng vào | G3/8, G1/2, M18×1.5, M22×1.5, SAE 8, SAE 10, 3/8 NPT, 1/2 NPT | 
| Cổng ra | G3/8, G1/2, M18×1.5, M22×1.5, SAE 8, SAE 10, 3/8 NPT, 1/2 NPT | 
| Kích thước cổng | G3/8, G1/2, M18×1.5, SAE 8, SAE 10, 3/8 NPT, 1/2 NPT | 
| Phần | Phần 1, Phần 2, Phần 3, Phần 4, Phần 5, Phần 6, Phần 7 | 
| Loại cấu trúc | Van liền khối | 
| Phạm vi nhiệt độ môi trường xung quanh | -40°C đến +80°C (-40°F đến +176°F) | 
| Phạm vi độ nhớt hoạt động | 15 - 75 mm²/giây (15 cSt đến 75 cSt) | 
**Tính năng và Lợi ích sản phẩm:**
- Điều khiển thủ công cho hoạt động chính xác và đáng tin cậy
- Cấu trúc monoblock giúp tăng độ bền và giảm rò rỉ
- Tốc độ dòng chảy 40 L/phút cho hoạt động hiệu quả
- Áp suất tối đa 250 bar cho các ứng dụng đòi hỏi khắt khe
- Phạm vi nhiệt độ hoạt động rộng từ -40°C đến +80°C để sử dụng trong nhiều môi trường khác nhau
- Thiết kế 3 cuộn cho các tùy chọn điều khiển linh hoạt
**Ứng dụng:**
- Thiết bị xử lý vật liệu
- Máy móc xây dựng và đào đất
- Máy móc nông nghiệp
- Xe công nghiệp
- Và nhiều ứng dụng thủy lực khác



