Giao hàng nhanh
Giao hàng nhanh trong vòng 30 ngày



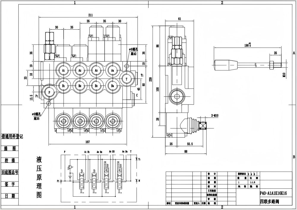
Van điều hướng Monoblock 4 cuộn P40-G12-G38-2OT-2QTW điều khiển bằng tay là một van thủy lực hiệu suất cao được thiết kế để sử dụng trong nhiều ứng dụng khác nhau. Với lưu lượng định mức 40 L/phút và áp suất tối đa 250 bar, van này lý tưởng để sử dụng trong các hệ thống yêu cầu điều khiển chính xác và độ tin cậy cao.
| Dòng P40 Van điều hướng Monoblock Parameters | |
|---|---|
| Phương pháp điều khiển | Điều khiển thủ công, Khí nén, Điện khí-khí nén, Điện khí-thủy lực, Biến áp, Thủy lực, Thủy lực và thủ công, Cáp, Tay điều khiển, Thủ công và tay điều khiển | 
| Xy lanh | Xy lanh 1, Xy lanh 2, Xy lanh 3, Xy lanh 4, Xy lanh 5, Xy lanh 6, Xy lanh 7 | 
| Lưu lượng định mức | 40 L/phút (10.5 US gpm) | 
| Áp suất tối đa | 250 bar (3600 psi) | 
| Cổng vào | G3/8, G1/2, M18×1.5, M22×1.5, SAE 8, SAE 10, 3/8 NPT, 1/2 NPT | 
| Cổng ra | G3/8, G1/2, M18×1.5, M22×1.5, SAE 8, SAE 10, 3/8 NPT, 1/2 NPT | 
| Kích thước cổng | G3/8, G1/2, M18×1.5, SAE 8, SAE 10, 3/8 NPT, 1/2 NPT | 
| Phần | Phần 1, Phần 2, Phần 3, Phần 4, Phần 5, Phần 6, Phần 7 | 
| Loại cấu trúc | Van liền khối | 
| Phạm vi nhiệt độ môi trường xung quanh | -40°C đến +80°C (-40°F đến +176°F) | 
| Phạm vi độ nhớt hoạt động | 15 - 75 mm²/giây (15 cSt đến 75 cSt) | 
**Tính năng và lợi ích của sản phẩm:**
* Điều khiển bằng tay cho hoạt động chính xác
* Thiết kế 4 cuộn van cho tính linh hoạt
* Cấu trúc monoblock cho độ bền và độ tin cậy
* Lưu lượng định mức 40 L/phút cho hiệu suất cao
* Áp suất tối đa 250 bar cho các ứng dụng đòi hỏi khắt khe
* Phạm vi độ nhớt hoạt động từ 15 - 75 mm²/s để tương thích với nhiều loại chất lỏng
* Phạm vi nhiệt độ môi trường từ -40°C đến +80°C để sử dụng trong môi trường khắc nghiệt
**Ứng dụng:**
* Thiết bị xử lý vật liệu
* Thiết bị xây dựng và san lấp mặt bằng
* Máy móc nông nghiệp
* Xe công nghiệp



