Giao hàng nhanh
Giao hàng nhanh trong vòng 30 ngày



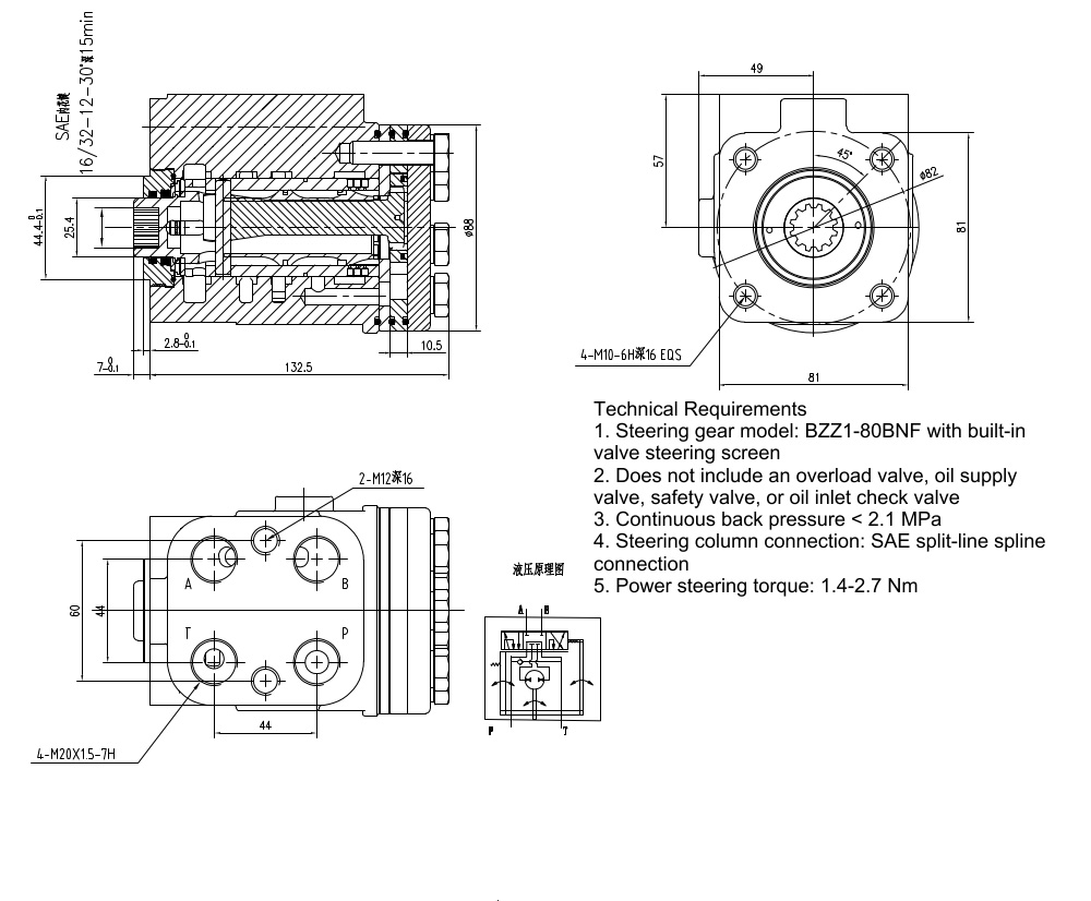
Bộ lái thủy lực BZZ1-E80AS là một linh kiện mạnh mẽ và có thể tùy chỉnh, được thiết kế cho nhiều ứng dụng rộng rãi trong xe nâng hàng, xây dựng và các loại xe công nghiệp. Với dung tích 80 ml/vòng và áp suất đầu vào tối đa 16 MPa, nó cung cấp khả năng điều khiển lái đáng tin cậy và hiệu quả. Kết cấu gang đúc của nó đảm bảo độ bền, và khối van có thể tùy chỉnh cho phép các giải pháp phù hợp để đáp ứng các yêu cầu cụ thể.
| Dòng BZZ1 Bộ lái Parameters | |
|---|---|
| Dung tích | 50 ml/vòng, 63 ml/vòng, 100 ml/vòng, 80 ml/vòng, 125 ml/vòng, 160 ml/vòng, 200 ml/vòng, 250 ml/vòng, 280 ml/vòng, 315 ml/vòng, 400 ml/vòng, 500 ml/vòng, 630 ml/vòng, 800 ml/vòng, 1000 ml/vòng |
| Khối van | Có thể tùy chỉnh |
| Vật liệu | Gang đúc |
| Lưu lượng định mức | 5 L/phút, 6 L/phút, 4 L/phút, 7.5 L/phút, 9.5 L/phút, 12 L/phút, 15 L/phút, 19 L/phút, 21 L/phút, 24 L/phút, 30 L/phút, 38 L/phút, 48 L/phút, 60 L/phút, 75 L/phút |
| Áp suất ngược liên tục tối đa | 2.5 Mpa |
| Áp suất vào tối đa | 16 Mpa |
Bộ lái BZZ1-E80AS là một linh kiện thủy lực hiệu suất cao, được sản xuất từ gang đúc bền bỉ cho hoạt động lâu dài. Với dung tích 80 ml/vòng và áp suất đầu vào tối đa 16 MPa, nó cung cấp khả năng điều khiển lái mạnh mẽ và nhạy bén, ngay cả trong điều kiện khắc nghiệt. Thiết bị có áp suất ngược liên tục tối đa 2.5 MPa và lưu lượng định mức 6 L/phút, đảm bảo hiệu suất ổn định. Một lợi thế chính là khối van có thể tùy chỉnh, cho phép cấu hình phù hợp để đáp ứng nhu cầu chính xác của các ứng dụng khác nhau. Sự linh hoạt này làm cho nó lý tưởng cho các dự án OEM và ODM, cũng như cung cấp các giải pháp tùy chỉnh cho các ngành công nghiệp đa dạng. Thiết bị được ứng dụng trong nhiều loại máy móc khác nhau, bao gồm xe nâng hàng, xe nâng đa năng, xe xúc lật trượt, xe xúc lật bánh lốp cỡ nhỏ, máy xúc mini và midi, và máy xúc lật. Thiết kế mạnh mẽ và hiệu suất đáng tin cậy của nó làm cho nó trở thành một giải pháp hiệu quả về chi phí cho các nhà sản xuất đang tìm kiếm các linh kiện lái thủy lực chất lượng cao. Chúng tôi cung cấp dịch vụ sản xuất, OEM, ODM, tùy chỉnh và bán buôn, và đang tích cực tìm kiếm các nhà phân phối, nhà bán buôn, đại lý và nhà kinh doanh trên toàn cầu.



